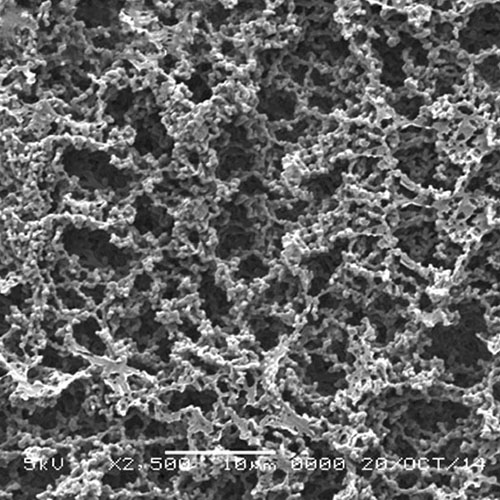
Мембрана 0,45 мкм, Pure NC NitroBind, 20×20 см
Мембрана, размер пор 0,45 мкм из чистой нитроцеллюлозы NitroBind.
Мембрана для блоттинга изготовлена из чистой нитроцеллюлозы. Применяется в методиках, где нужно оптимальное разрешение при блоттинге белков и иммуноблоттинге.
Обладает слабым, легко подавляемым фоном, сочетается со всеми системами обнаружения.
Данный продукт предназначен для исследовательских целей.
Области применения:
- Вестерн-блоттинг
- Белковый и иммуноблоттинг
- Назерн-блоттинг
- Саузерн-блоттинг
- Дот/слот-блот анализ
- Радиографическая, хромогенная и хемилюминесцентная система обнаружения

- Стерильность: -
- Размер пор (мкм): 0,45
- Материал: Нитроцеллюлоза (NC)
- Упаковка: 10 шт.
- Документы: Для исследовательских целей